
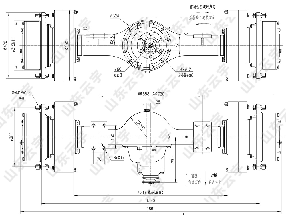
● The brake in enclosed multi-disc wet-type braking mode,with braking hub,hydraulic pressing,spring release and ideal braking performance,is installed behind the planetary hub decelerating-gears. ● Suitale for ZL16 wheel loader and the engineering machineries in similar conditions. |
Main transmission ratio | 5.833 | |
Transmission ratio at wheel | 4.4 | |
Total transmission ratio | 25.667 | |
Maximum axle load | 7500Kg | |
Maximum input torque | 785N.m | |
Brake | Braking pressure | 5.5MPa |
Brake moment | 11000N.m/pce | |